-
噴漆廢水處理技術 2018-03-31 [污水處理] 熱度:332

今天為大家介紹的是噴漆廢水處理技術 噴漆廢水處理裝置,包括自控系統、水泵系統、加藥裝置以及依次相連的預處理池、氧化裝置、反應池、混凝絮凝池、沉淀池和壓濾裝置,所述預處理池、氧化裝置、反應池、混凝絮凝池...
-
從冶煉廢水中回收硫酸和鹽酸方法 2018-03-31 [污水處理] 熱度:433

今天為大家介紹的是從冶煉廢水中回收硫酸和鹽酸方法 從冶煉廢水中回收硫酸和鹽酸及氟開路的方法,包括以下步驟:(1)微濾膜過濾去除廢水中的懸浮物;(2)初級蒸發濃縮廢水,冷凝70-90%的水回用;剩余的10-30%的殘液進入...
-
鉻污染廢水凈化處理方法 2018-03-31 [污水處理] 熱度:342

今天為您介紹的是洗煤廢水處理工藝 隨著我國工農業的逐步發展,冶金、化工、陶瓷、印染、電子工業和選礦等行業每年在生產過程中均會產生大量的含有重金屬離子的廢水及廢渣,若對這些污染物不加以處理而排放,不僅會對環...
-
洗煤廢水處理工藝 2018-03-31 [污水處理] 熱度:274

今天為您介紹的是洗煤廢水處理工藝 洗煤廢水的處理工藝,采用接枝共聚法先制備了接枝聚合物,然后向接枝聚合物中加入甲醛和二甲胺制備了陽離子聚丙烯酰胺絮凝劑,然后以陽離子聚丙烯酰胺絮凝劑為主處理洗煤廢水,再...
-
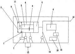
移動式環保衛生間糞便污水處理系統 2018-03-31 [污水處理] 熱度:402

今天為您介紹的是移動式環保衛生間糞便污水處理系統 特別是涉及一種移動式環保衛生間糞便污水處理系統。該處理系統包括調節池、凈化池、加藥桶組成,其中凈化池根據生物降解污水原理進行設計,包括厭氧池、缺氧池、...
-
煤焦油深加工廢水處理工藝 2018-03-31 [污水處理] 熱度:340

今天為您介紹的是煤焦油深加工廢水處理工藝 陜西省某企業以煤焦油為原料,生產萘油、洗油、輕油、脫酚油、蒽油及瀝青等產品,產品規模為26.5 萬t/a,所排廢水主要為焦油加溫靜置脫水產生的廢水、生產過程中產生的分...
-
放射性廢水中銫去除方法 2018-03-31 [污水處理] 熱度:189

今天為您介紹的是放射性廢水中銫去除方法 含銫廢水主要來源于核工業的核燃料處理 、 原子能發電站的核裂變產物,以及應用放射性同位素的研究機構等,其水量可達數百千克至數萬噸。 其中 137Cs不僅是銫的同位素中半衰...
-
凈化分離方法及其納濾設備 2018-03-31 [污水處理] 熱度:226

今天為您介紹的是凈化分離方法及其納濾設備 高鹽廢水的凈化分離方法及其納濾設備,屬于廢水凈化處理技術領域。為了解決現有的易結垢的問題,提供一種高鹽廢水的凈化分離方法及其納濾設備,該納濾設備包括一內部具有...
-
城市污水管網的規律 2018-03-31 [污水處理] 熱度:262

今天為您介紹的是城市污水管網的規律 城市污水管網是一個收集、 運輸城市污水的系統,是城市水利基建的重要組成部分[1]. 然而,污水在管網內的運輸過程中水質發生了變化,生化需氧量(BOD)、 化學需氧量(COD)會有不同...
-
集成海水淡化濃水零排放方法及裝置 2018-03-31 [污水處理] 熱度:347

今天為您介紹的是集成海水淡化濃水零排放方法及裝置 集成海水淡化濃水零排放和不穩定可再生能源穩定發電的方法及裝置,涉及不穩定可再生能源發電過程、電滲析海水淡化過程和反電滲析鹽差能發電過程,通過反電滲析壓...
-
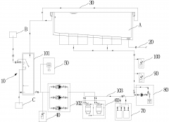
游泳池循環水處理系統 2018-03-31 [污水處理] 熱度:380

今天為您介紹的是游泳池循環水處理系統 游泳池循環水處理系統,包括與游泳池進水口連接的供水系統、與游泳池出水口連接的排水系統以及與游泳池溢流口連接的溢流系統;所述供水系統包括與游泳池進行水源交換的均衡水箱...
-
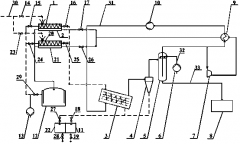
MVR過熱蒸汽污泥連續干燥系統 2018-03-31 [污水處理] 熱度:418

今天為您介紹的是MVR過熱蒸汽污泥連續干燥系統 MVR過熱蒸汽污泥連續干燥系統及工作方法,屬于能源與動力等領域。其特征在于:與傳統污泥干燥系統相比,該系統采用干燥器(3),利用過熱蒸汽(31)與待干燥污泥直接換熱,...
-
污泥制磚技術 2018-03-31 [污水處理] 熱度:360

今天為您介紹的是污泥制磚技術 利用制磚方式對剩余污泥進行徹底處置的技術。它是將含水為60%的濕污泥利用磚廠余熱進行干化,以總重量8%10%的比例,同黏土、煤矸石一起作為制磚原料。干化后的污泥進入粉碎車間,進行...
-
高效印染廢水脫色劑合成 2018-03-31 [技術新聞] 熱度:370

今天為您介紹的是高效印染廢水脫色劑合成 印染廢水是一種有機物含量高、色度高、難生化降解的廢水,其成分復雜,國內外進行了大量的研究。自20世紀70年代以來,美、日、英、法等國在印染廢水處理中都大量使用了陽離子型...
-
夏津縣第三污水處理廠正式破土動工 主要用于處理景區生活污水 2018-03-27 [污水處理] 熱度:404

今天小編為您介紹的是 夏津縣第三污水處理廠正式破土動工,主要用于處理景區生活污水 ,下面是具體內容。 日前,夏津縣第三污水處理廠正式破土動工。 據了解,第三污水處理廠位于我縣黃河故道生態旅游區,主要用于處...